Laghdaitheoir PVC-C DN15*20-600*500 1/2*3/4" -24*20" Caighdeán ANSI

Feistis Píobáin PVC PVC-C DN1520-600500 Accessories Laghdaitheoir Plaisteacha Tionscail, le haghaidh Soláthar Ceimiceach agus Uisce Caighdeán ANSI SCH80
Bunús: An tSín
Ainm Branda: KXPV
Próiseas: brionnaithe
Ceangal: Soicéad
Ábhar: PVC-C
Dath: Liath Éadrom
Cruth: Comhionann
Cód Ceann: Babhta
Méid: DN15*20-600*500
Iarratas: Tionscal
Pacáistíocht: Carton
Brú Oibre: 1.6 MPa
Am Seachadta: 7 Lá
Cainníocht Ordú Íosta: 1 Píosa

Liosta Ceangailte Teochta App
Ábhar Teocht mheán ℃ Ábhar Teocht mheán ℃
PVC-C -20 ℃ ~ 95 ℃ PVC-U -5 ℃ ~ 45 ℃
FRPP -20 ℃ ~ 120 ℃ PPH -20 ℃ ~ 110 ℃
PVDF 40 ℃ ~ 150 ℃

Gnéithe Struchtúrtha Táirge

1. Friotaíocht Cheimiceach den Scoth: Tá an raon teochta leathan ó -20 ℃ go 95 ℃. Comhlíonann an t-ábhar ian sa mheán caighdeáin uisce ultra-íon. Comhlíonann aschur sláinteachais na gcaighdeán náisiúnta sláintíochta.
2. Neart Gan Réiteach, Toughness, agus Friotaíocht creimeadh Cheimiceach: Cuireann an t-ábhar neart agus smaointe níos fearr ar chreimeadh ceimiceach.
3.Durability: Leathnaíonn tuarascálacha aosaithe eisceachtúil agus tuarascálacha UV an saolré go mór i gcomparáid le córais píopaí eile.
Seoltacht Teirmeach 4.Low: Tá seoltacht teirmeach thart ar 1/200 de chruach; tá airíonna lasair-retardant féin-mhúchadh.
5.Lightweight: Meáchan ach thart ar 1/5 de phíopaí cruach agus 1/6 de phíopaí copair.
6. Friotaíocht Íseal, Ráta Sreabhadh Ard: Tá an balla píopa réidh agus glan mar thoradh ar an bhfriotaíocht cuimilte íosta agus greamaitheacht nuair a bhíonn sreabhán á iompar.
Suiteáil 7.Easy, Costas Íseal: Is féidir é a nascadh trí úsáid a bhaint as nascáil, snáithiú, agus an chuid is mó go simplí le greamachán, ag tairiscint réiteach éifeachtach ó thaobh costais agus éasca le húsáid.

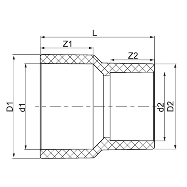
Liosta Toise

Sonraíocht D1
(mm)
D2
(mm)
d1
(mm)
d2
(mm)
L
(mm)
Z1
(mm)
Z2
(mm)
2″*1″(50*25) 74 45 60.32 33.4 87 38.5 29
2″*1¼″(50*32) 74 54.5 60.32 42.16 86 38.5 32
2″*1½″(50*40) 74 61 60.32 48.26 86 38.5 35
2½″*1¼″(65*32) 90 54.5 73.02 42.16 98.5 45 32
2½″*1½″(65*40) 90 61 73.02 48.26 98.5 45 35
2½″*2″(65*50) 90 74 73.02 60.32 97 45 38.5
3″*1½ ″(80*40) 107 61 88.9 48.26 109.5 48 35
3″*2″(80*50) 107 74 88.9 60.32 107.5 48 38.5
3″*2½ ″(80*65) 107 90 88.9 73.02 109 48 45
4″*2″(100*50) 134 74 114.3 60.32 129.5 57.5 38.5
4″*2½″(100*65) 134 90 114.3 73.02 131 57.5 45
4″*3″(100*80) 134 107 114.3 88.9 127 57.5 48
5″*2½″(125*65) 163 90 141.3 73.02 154.5 67 45
5″*3″(125*80) 163 107 141.3 88.9 150 67 48
5″*4″(125*100) 163 134 141.3 114.3 146.5 67 57.5
6″*3″(150*80) 192 107 168.28 88.9 173 76.5 48
6″*4″(150*100) 192 134 168.28 114.3 170 76.5 57.5
6″*5″(150*125) 192 163 168.28 141.3 167 76.5 67
8″*4″(200*100) 247 134 219.08 114.3 221 102 57.5
8″*5″(200*125) 247 163 219.08 141.3 218 102 67
8″*6″(200*150) 247 192 219.08 168.28 215 102 76.5
Aiseolas Teachtaireacht
Maidir Linne
Kaixin Pipeline Technologies Co., Ltd.
Bunaithe i 1999, Kaixin Pipeline Technologies Co., Ltd. Is fiontar ardteicneolaíochta é a chuimsíonn T&F, déantúsaíocht, díolachán agus seirbhís. Tá iliomad deimhnithe mór le rá ag an gcuideachta, lena n-áirítear Fiontraíocht Ardteicneolaíochta Náisiúnta, FBM Speisialaithe agus Sofaisticiúla “Little Giant”, Curadh Náisiúnta Táirge Aonair (Saothrú), FBM Cúige bunaithe ar Theicneolaíocht, Gnóthais Bheaga agus Mheánmhéide Speisialaithe agus Sofaisticiúla Ningbo, Curadh Táirge Aonair Ningbo (Saothrú), Ningbo Polymer Pipe & Valve Technology T&F Center T&D, Monarcha Bainistíochta Sonraí Fiontar Cheantair agus Leibhéal 2, Monarcha Bainistíochta Nuálaíochta Fiontraíochta Ceithre Leibhéal, Ningbo
Speisialtóireacht againn i dtáirgí neamh-mhiotalacha resistant creimeadh a fhorbairt, a tháirgeadh agus a sholáthar le haghaidh feidhmeanna ceimiceacha, lena n-áirítear comhlaí plaisteacha, píopaí, feisteas píopaí, agus caidéil resistant creimeadh. Cuimsíonn ár bpunann táirgí ábhair cosúil le PVC-C, PVC-U, PVDF, PPH, agus FRPP, le raon cuimsitheach cineálacha agus sonraíochtaí. Go háirithe, is féidir lenár comhlaí féileacán trastomhas DN1000 a bhaint amach, agus leathnaíonn píopaí agus feistis suas go dtí DN800, ag tabhairt aghaidh ar bhearnaí sa mhargadh agus ag cothabháil ár n-imeall iomaíoch sa tionscal.
Agus é á threorú ag an bprionsabal “Teicneolaíocht-tiomáinte, Ag Coinneáil Luas leis an Aimsir”, leithdháileann Kaixin beagnach RMB 10 milliún in aghaidh na bliana ar T&F. Cinnteoimid cáilíocht táirgí níos fearr trí dhéantúsaíocht chaighdeánaithe uathoibrithe agus trí fhoinsiú dian amhábhar allmhairithe. Ar aon dul lenár straitéis forbartha idirnáisiúnta, déanaimid monatóireacht leanúnach ar threochtaí an mhargaidh dhomhanda agus úsáidimid bealaí digiteacha chun táirgí ardchaighdeáin “Déanta sa tSín” a thabhairt do chustaiméirí ar fud an domhain.
Ningbo • Bunáit T&F & Táirgeadh Fenghua
Le infheistíocht iomlán de RMB 200 milliún, tá Kaixin Ultra-Pure Pipe Technology (Ningbo) Co., Ltd tar éis saotharlann ábhair nua a bhunú i gcomhar le hollscoileanna agus institiúidí taighde, bonn déantúsaíochta nua-aimseartha a thógáil, agus 8 línte táirgeachta uathoibrithe a shuiteáil le haghaidh plaistigh modhnaithe agus 8 le haghaidh ábhair pholaiméire. Tá an tsaoráid tiomnaithe do T&F, táirgeadh, agus cur i bhfeidhm plaistigh modhnaithe agus ábhar polaiméire nua. Tá Kaixin tiomanta freisin do thallann den scoth a mhealladh trasna disciplíní, ag tiomáint nuálaíocht táirgí agus forbairt branda go leanúnach, leis an sprioc a bheith ina cheannaire aitheanta domhanda i T&F agus déantúsaíocht comhlaí, píopaí agus feistis polaiméire.
Deimhniú Onóra
  • honor
  • honor
  • honor
  • honor
  • honor
  • honor
  • honor
  • honor
  • honor
Nuacht