Liosta Ceangailte Teochta App
Ábhar Teocht mheán ℃ Ábhar Teocht mheán ℃
PVC-C -20 ℃ ~ 95 ℃ PVC-U -5 ℃ ~ 45 ℃
FRPP -20 ℃ ~ 120 ℃ PPH -20 ℃ ~ 110 ℃
PVDF 40 ℃ ~ 150 ℃

Gnéithe Struchtúrtha Táirge

1. Meáchan Éadrom: Níl PVC-U ach 1/10 an meáchan d’iarann ​​teilgthe, rud a d’fhág go bhfuil sé éasca a iompar agus a ghníomhartha, costais a laghdú.
2. Friotaíocht Cheimiceach Superior: Tá tuarascálacha den scoth ag PVC-U d'aigéid agus alcailí, ach amháin ag fáil láidir agus alcailí in aice lena phointe sáithithe.
3. CRUA: Cuireann PVC-U turasóireachta den scoth ar fáil agus tá sé resistant a chreimeadh ag geallta agus fungais.
4. Neamhsheoltach: Tá PVC-U neamhsheoltach agus níl sé so-ghabhálach do chreimeadh trí leictrealú nó sruth leictreach, rud a chuireann deireadh leis an ngá atá le próiseáil thánaisteach. Tá sé neamh-inadhainte agus ní thacaíonn sé le dócháin, rud a chuireann deireadh le imní sábháilteachta dóiteáin.
5. Friotaíocht agus ráta sreafa ard: Íoslaghdaíonn an balla istigh réidh caillteanas sreabhadh, agus is lú an seans go gcloífidh salachar leis an dromchla réidh píopa, rud a fhágann go bhfuil an cothabháil simplí agus éifeachtach ó thaobh costais.
6. Suiteáil Éasc agus Costas Íseal: Tá gearradh agus ceangail simplí. Tá sé cruthaithe go bhfuil gliú PVC sábháilte, iontaofa, éasca le húsáid, agus éifeachtach ó thaobh costais.

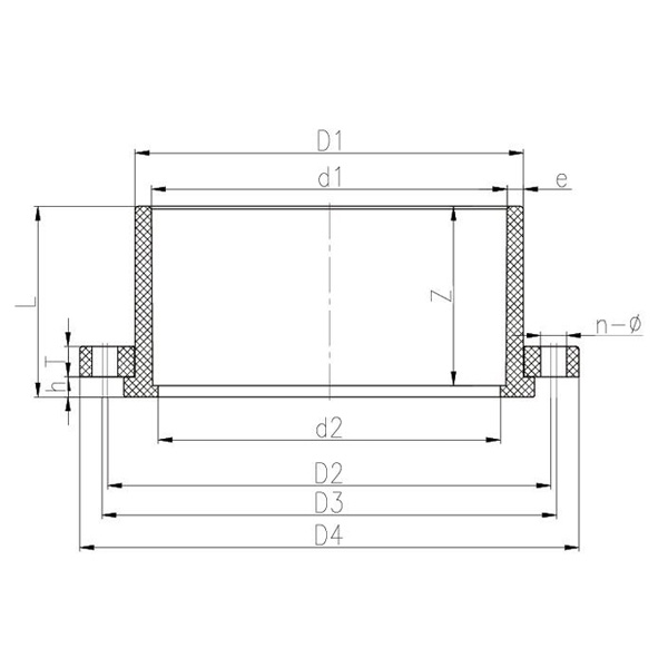
Flange Vanstone PVC-U

DN D1 D2 D3 D4 d1 d2 L T h Z n-Φ
15 27 59 70 95 20 18 22 16 1.5 16 4-Φ15X20.5
20 32 70 75 105 25 23 25 18 1.5 19 4-15X17.5
25 40 79 90 125 32 29 28 18 1.5 22 4-Φ15X20.5
32 50 89 100 140 40 36 31.5 20 1.5 26 4- Φ18X24.5
4 61 98 110 150 50 4 37 20 2 31 4- Φ18X24
50 75 120 125 165 63 58 44 25 2 38 4-Φ18X20.5
65 88 140 145 185 75 69 50 25 2 44 4-Φ18X20.5
80 105 150 160 200 90 84 57 26 2.5 51 8- Φ18X23
100 127 175 190.5 229 110 105 67 26 2.5 61 8- Φ18X26
125 161 210 250 140 130 84 28 12.5 77 8-Φ19
150 182 240 285 160 150 93 31 12.5 85 8-Φ23
200 249 295 339 225 215 127 36 16 119 8- Φ23X25
200 254 295.8 341 225 215 127 33.1 16 119 12-Φ22
250 308 350 395 280 267 154 40.5 16.5 144 12-Φ23
300 346 400 445 315 305 170 43 18 160 12-Φ23
350 395 460 505 355 340 176 43 16 164.5 16-Φ23
400 442 515 570 400 382 219 43 22 200 16-Φ27
450 494 565 625 450 430 220 40 27 210 20-Φ26
500 548 620 670 500 475 210 43 25 185 20-27
Aiseolas Teachtaireacht
Maidir Linne
Kaixin Pipeline Technologies Co., Ltd.
Bunaithe i 1999, Kaixin Pipeline Technologies Co., Ltd. Is fiontar ardteicneolaíochta é a chuimsíonn T&F, déantúsaíocht, díolachán agus seirbhís. Tá iliomad deimhnithe mór le rá ag an gcuideachta, lena n-áirítear Fiontraíocht Ardteicneolaíochta Náisiúnta, FBM Speisialaithe agus Sofaisticiúla “Little Giant”, Curadh Náisiúnta Táirge Aonair (Saothrú), FBM Cúige bunaithe ar Theicneolaíocht, Gnóthais Bheaga agus Mheánmhéide Speisialaithe agus Sofaisticiúla Ningbo, Curadh Táirge Aonair Ningbo (Saothrú), Ningbo Polymer Pipe & Valve Technology T&F Center T&D, Monarcha Bainistíochta Sonraí Fiontar Cheantair agus Leibhéal 2, Monarcha Bainistíochta Nuálaíochta Fiontraíochta Ceithre Leibhéal, Ningbo
Speisialtóireacht againn i dtáirgí neamh-mhiotalacha resistant creimeadh a fhorbairt, a tháirgeadh agus a sholáthar le haghaidh feidhmeanna ceimiceacha, lena n-áirítear comhlaí plaisteacha, píopaí, feisteas píopaí, agus caidéil resistant creimeadh. Cuimsíonn ár bpunann táirgí ábhair cosúil le PVC-C, PVC-U, PVDF, PPH, agus FRPP, le raon cuimsitheach cineálacha agus sonraíochtaí. Go háirithe, is féidir lenár comhlaí féileacán trastomhas DN1000 a bhaint amach, agus leathnaíonn píopaí agus feistis suas go dtí DN800, ag tabhairt aghaidh ar bhearnaí sa mhargadh agus ag cothabháil ár n-imeall iomaíoch sa tionscal.
Agus é á threorú ag an bprionsabal “Teicneolaíocht-tiomáinte, Ag Coinneáil Luas leis an Aimsir”, leithdháileann Kaixin beagnach RMB 10 milliún in aghaidh na bliana ar T&F. Cinnteoimid cáilíocht táirgí níos fearr trí dhéantúsaíocht chaighdeánaithe uathoibrithe agus trí fhoinsiú dian amhábhar allmhairithe. Ar aon dul lenár straitéis forbartha idirnáisiúnta, déanaimid monatóireacht leanúnach ar threochtaí an mhargaidh dhomhanda agus úsáidimid bealaí digiteacha chun táirgí ardchaighdeáin “Déanta sa tSín” a thabhairt do chustaiméirí ar fud an domhain.
Ningbo • Bunáit T&F & Táirgeadh Fenghua
Le infheistíocht iomlán de RMB 200 milliún, tá Kaixin Ultra-Pure Pipe Technology (Ningbo) Co., Ltd tar éis saotharlann ábhair nua a bhunú i gcomhar le hollscoileanna agus institiúidí taighde, bonn déantúsaíochta nua-aimseartha a thógáil, agus 8 línte táirgeachta uathoibrithe a shuiteáil le haghaidh plaistigh modhnaithe agus 8 le haghaidh ábhair pholaiméire. Tá an tsaoráid tiomnaithe do T&F, táirgeadh, agus cur i bhfeidhm plaistigh modhnaithe agus ábhar polaiméire nua. Tá Kaixin tiomanta freisin do thallann den scoth a mhealladh trasna disciplíní, ag tiomáint nuálaíocht táirgí agus forbairt branda go leanúnach, leis an sprioc a bheith ina cheannaire aitheanta domhanda i T&F agus déantúsaíocht comhlaí, píopaí agus feistis polaiméire.
Deimhniú Onóra
  • honor
  • honor
  • honor
  • honor
  • honor
  • honor
  • honor
  • honor
  • honor
Nuacht